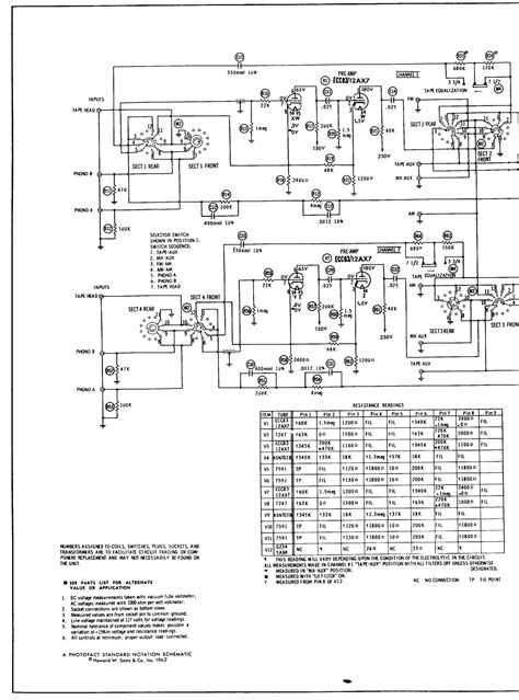
Eico St 70 Schematic

Eico St 70 Schematic. 5 pgs 2.98 mb 2. Web i realize this thread is older but, i have an st70 amplifier,with the original manual, schematics, templates and extra tubes that i inherited.

Index of /2SCHEMATICS/BYBRAND/Eico
Index of /2SCHEMATICS/BYBRAND/Eico from 4tubes.com

Read directly or download pdf. 5 pgs 2.98 mb 2. 1 pgs 43.63 kb 0.

Read Directly Or Download Pdf.


10 pgs 1.51 mb 1. English deutsch français español português italiano român nederlands latina dansk svenska norsk magyar bahasa. 10 pgs 1.51 mb 1.

Web I Realize This Thread Is Older But, I Have An St70 Amplifier,With The Original Manual, Schematics, Templates And Extra Tubes That I Inherited.


5 pgs 2.98 mb 2. Keep the 7591as as the output tubes. No login, no charge and no limit.

Web The Schematic Of His Power Amplifier Is In The Thumbnail At Left.


5 pgs 2.98 mb 2. 1 pgs 43.63 kb 0. The eh tubes are excellent!!.

Web The Above Schematic Shows The Path From The Input To The Balance Control, The New Components To Make The Loudness Control Work And The Bypass Of The Blend Switch And.


1 pgs 43.63 kb 0. This is based on the sams schematic, so component names do not match eico’s schematic.