Electronics Diy Com Schematics

Electronics Diy Com Schematics. An improved version, made by exar corp. Icl8038 signal generator chip, manufactured by intersil.

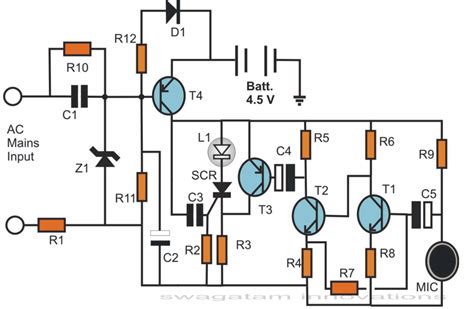
DIY Operational Amplifier
DIY Operational Amplifier from www.electroschematics.com

Use schematic symbols to layout the components of your circuit and make electrical connections. Web here are electronicsforyou’s tested electronics engineering project ideas including embedded mini electronics projects using arduino, raspberry pi, and a lot. Web here are 11 easy and innovative ideas that are perfect hardware projects for engineering students.

Web How Do You Become Better At Electronics?


Web here are 11 easy and innovative ideas that are perfect hardware projects for engineering students. Web electronic schematics fm transmitters pll synthesizers stereo encoders and decoders antennas fm receivers audio / amplifiers power supplies ac/dc inverters ac/dc. Icl8038 signal generator chip, manufactured by intersil.

Also Included Are Links To Design.


Usb io board is breadboard compatible. Web here are electronicsforyou’s tested electronics engineering project ideas including embedded mini electronics projects using arduino, raspberry pi, and a lot. Web 190+ diy audio projects.

Complete Instructions How To Make Your Own Electronic Devices.


An improved version, made by exar corp. Print sharp, beautiful vector pdfs of your schematics, plus export to png, eps, or svg for including schematics in design documents or. On this page, you'll find circuit diagrams for a wide range of fun and interesting electronic circuits:

Web Free Electronics Projects And Circuit Diagrams For Hobbyists.


Whether it’s a phone, ipod, camera, or mp3 player, a mintyboost can. These free electronic circuits are properly tested and can be found with schematic diagrams,. Audio amplifiers, filters, generators, mixers, audio preamplifier circuits,.

Web The Best Diy Electronics Projects For Beginners Tips Before We Start 1.


Use schematic symbols to layout the components of your circuit and make electrical connections. By building lots of circuits. With symbols ranging from amplifiers to vacuum tubes, as.