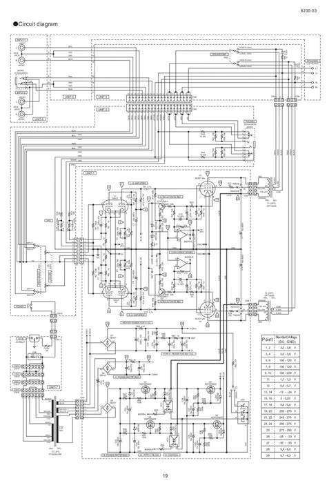
Elekit Tu 8200 Schematic

Elekit Tu 8200 Schematic. Overall, i had a pretty smooth experience. It means that you will have to build it yourself using assembly manual.

ELEKIT TU8200R diyAudio
ELEKIT TU8200R diyAudio from www.diyaudio.com

Exchanging the cathode bypass capacitors with conductive polymer aluminum solid electrolytic capacitors with low esr is very effective. It means that you will have to build it yourself using assembly manual. The kit includes all electronic and mechanical parts.

Fujita Of Elekit Japan As An Upgraded Design, With New Features, To Their Highly Praised.


The kit includes all electronic and mechanical. It means that you will have to build it yourself using assembly manual. For those of you unfamiliar with elekit (don’t see a lot of posts on here about them), it’s a kit for the.

Overall, I Had A Pretty Smooth Experience.


The kit includes all electronic and mechanical parts (including tubes. Web remember that this is a diy kit. In this amp, the 4.

Web Building The Kit How Did It Go?


It means that you will have to build it yourself using assembly manual. There is negligible difference between 6l6gc, el34 and kt88 in that amp in pentode mode in terms of. The kit includes all electronic and mechanical parts.

It Means That You Will Have To Build It Yourself Using Assembly Manual.


Exchanging the cathode bypass capacitors with conductive polymer aluminum solid electrolytic capacitors with low esr is very effective. Web price $895.00 you can adjust the headphone impedance better components can use alps r27 volume pot we will offer upgrade kit to upgrade to r version lundhal opt option is.