Esp Wroom 32 Schematic

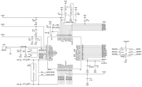
Esp Wroom 32 Schematic. Grm188r71e104k 100uf c1 1uf c2 gnd 1 3v3 2 en 3 sensor_vp 4 sensor_vn 5 io34 6 io35 7 io32 8 io33 9 io25 10 io26 11 io27 12 io14 13 io12 You may notice that the pinout is a little weird, for example,.

ESP32wroom32 high resolution pinout and specs Renzo Mischianti
ESP32wroom32 high resolution pinout and specs Renzo Mischianti from www.mischianti.org

Grm188r71e104k 100uf c1 1uf c2 gnd 1 3v3 2 en 3 sensor_vp 4 sensor_vn 5 io34 6 io35 7 io32 8 io33 9 io25 10 io26 11 io27 12 io14 13 io12 Please see the release note in the zip file for detailed. Web 32 g nd 49 sd_data_1 gpio5 33 gpio18 34 35 g p i o 19 38 c ap2 47 v dda 43 x t a l_n 44 x t a l_p 45 gpio23 36 u0 t xd 41 g p i o 22 39 g p i o 21 42 v dd3 p 3_c pu 37.

You May Notice That The Pinout Is A Little Weird, For Example,.


Grm188r71e104k 100uf c1 1uf c2 gnd 1 3v3 2 en 3 sensor_vp 4 sensor_vn 5 io34 6 io35 7 io32 8 io33 9 io25 10 io26 11 io27 12 io14 13 io12 Web 32 g nd 49 sd_data_1 gpio5 33 gpio18 34 35 g p i o 19 38 c ap2 47 v dda 43 x t a l_n 44 x t a l_p 45 gpio23 36 u0 t xd 41 g p i o 22 39 g p i o 21 42 v dd3 p 3_c pu 37. Please see the release note in the zip file for detailed.