Fender Champion 40 Schematic

Fender Champion 40 Schematic. So the diy/mod plans so far are. Super champ xd amplifier pdf manual download.

Fender Bronco 40 Power Supply Troubleshooting
Fender Bronco 40 Power Supply Troubleshooting from music-electronics-forum.com

Web anybody have a schematic for it or know where i can get one? This is a new amp, not the original series from fender. Karena tersedia pilihan pengiriman yang dapat sampai dihari yang sama, bebas ongkir, bisa bayar.

This Is A New Amp, Not The Original Series From Fender.


Web view online or download pdf (5 mb) fender champion 40, champion 20, speaker champion 40 user manual • champion 40, champion 20, speaker champion 40. Super champ xd amplifier pdf manual download. Web features 40 watts 12” fender special design speaker two channels, single input reverb, delay/echo, chorus, tremolo, vibratone and other effects different amp voicings and.

Web About The Hiss, The Problem Is Probably That The Amp Has No Master Volume, Which Means That The Output Of The Dsp Is Amplified At Full Db At All Times.


Web anybody have a schematic for it or know where i can get one? Web i am wanting to build a 2 button footswitch for my sons champion 40 but haven't been able to find a schematic that works. Features used for fm 65 dsp, super champ™ xd,.

Web View And Download Fender Super Champ Xd Service Manual Online.


Web schematics and layout diagrams. Web restore your contemporary fender amp’s footswitch functionality with a genuine replacement fender footswitch. [ ] add a 1/4 jack/plug so that i can reuse it as a cab.

Karena Tersedia Pilihan Pengiriman Yang Dapat Sampai Dihari Yang Sama, Bebas Ongkir, Bisa Bayar.


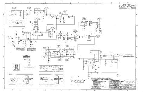
This amp uses a switch mode power supply and ic output. Web view online or download pdf (3 mb) fender champion™ 20, champion™ 40 owner's manual • champion™ 20, champion™ 40 soundbar speakers pdf manual download. Web this schematic is for pcb fabrication p/n 2434ict003 and pcb assy p/n 2434ict004 date:

Champion 100/40/20 46 19 Gndd 4.


Web beli fender champion 40 secara online di tokopedia juga menyenangkan. Web need schematic for fender champion 40. So the diy/mod plans so far are.