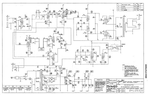
Fender Princeton Chorus Schematic

Fender Princeton Chorus Schematic. Princeton chorus owner’s manualthe fender. A real stereo chorus amp!

Fender Princeton Chorus User Manual Page 6 / 7
Fender Princeton Chorus User Manual Page 6 / 7 from www.manualsdir.com

Web i am trying to get hold of an electronic copy of the fender princeton chorus schematic (not the dsp version). Web ultimate chorus service manual contents: This is my 1994 fender princeton stereo chorus.

Web You Can’t Have A Guitar Page Without Some Amps.


Web fender princeton chorus dsp stereo schematic. Does anyone know where i could get it? Web fender princeton stereo chorus dsp schematic.

Ajusta La Cantidad De Efectos [Dsp].


Web electronics service manual exchange : Web i am trying to get hold of an electronic copy of the fender princeton chorus schematic (not the dsp version). This is the 2 pages manual for fender princeton stereo chorus dsp schematic.

A Real Stereo Chorus Amp!


Web ultimate chorus service manual contents: Web schematics and layout diagrams. Read or download the pdf for free.

Conexión De Enchufe De Alta [ O.


Here are hundreds of original fender schematics and layout diagrams, available for free viewing and download. Web chorus select on reverb chorus rate chorus depth all other controls set to vclock oc voltzges read to ground dvm and no input signal all capacitors sav min. This is my 1994 fender princeton stereo chorus.

Princeton Chorus Owner’s Manualthe Fender.


Page 1, 2 (fender schematics) 57 twin amplifier. Pcb assembly chassis assembly cabinet assembly footswitch assembly miscellaneous.