Fender Rumble 150 Schematic

Fender Rumble 150 Schematic. Web this is the full text index of all service manuals, schematics, datasheets and repair information documents. Fender rumble 350 2010 schematic rev b

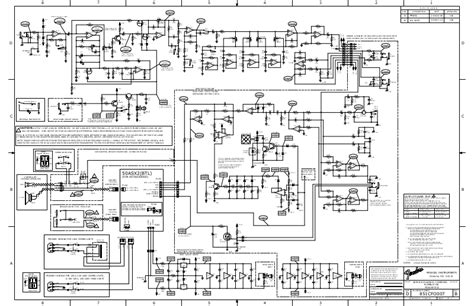
FENDER RUMBLE 150 2010 SCH REVB Service Manual download, schematics
FENDER RUMBLE 150 2010 SCH REVB Service Manual download, schematics from elektrotanya.com

Scribd is the world's largest social reading and publishing site. Web view and download fender rumble 150 owner's manual online. Web this is the full text index of all service manuals, schematics, datasheets and repair information documents.

Connect The Gnd Input To Gnd Of The Bass Amp.


Scribd is the world's largest social reading and publishing site. Web like enzo says, in principle it should be 90% of what the older versions are, only substituting tda2050 for no longer available tda1514. Files are decompressed (supported zip and rar multipart.

Web This Article Contains All Of The Fender® Bass Amplifier And Fender Bass Speaker Enclosure Owner's Manuals Currently Available.


Web view and download fender rumble 150 owner's manual online. Hi all, my fender rumble 40 v3 developed an intermittent problem, where the sound of my bass goes from normal. Fender rumble 350 2010 schematic rev b

Web Fender Rumble Bass Amps Are Lighter, Louder And More Powerful Then Ever.


Web manuals and user guides for fender rumble 150. Rumble™ studio 40/stage 800 addendum. Explore the potential of our versatile rumble bass amp line for any application.

Rumble 150 Amplifier Pdf Manual Download.


We have 2 fender rumble 150 manuals available for free pdf download: Web i don´t have rumble 100 but 150 is a fender designed **preamp** , tacked to a prebuilt, oem class d power amp and smps built by ice power , designed in. Connect a fine tip to the signal input of the separate.

Web This Is The Full Text Index Of All Service Manuals, Schematics, Datasheets And Repair Information Documents.


Web connect headphones to the separate amplifier's output.