Fender Super 60 Schematic

Fender Super 60 Schematic. While the prior values are great for the “traditional” type of fender tone,. Sign up and get 5 for free.

Question to all "Fender Super 60" owners !!! Page 2 The Gear Page
Question to all "Fender Super 60" owners !!! Page 2 The Gear Page from www.thegearpage.net

Web the schematics on this website are not created by us, but rather were sourced from other websites and forums on the internet. While the prior values are great for the “traditional” type of fender tone,. Sign up and get 5 for free.

Help Me To Keep This Site With No Boring.


This is the 3 pages manual for fender super sonic 60 combo schematic rev a. Web replace both the 0.047”f and 0.1”f caps in the tone stack (c6 & 7) with 0.022”f 600v capacitors. Here are hundreds of original fender schematics and layout diagrams, available for free viewing and download.

Vary Dc Read Ro 5.


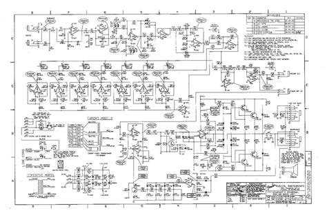
Web schematics and layout diagrams. Super sonic 60 speakers pdf manual download. Web fender 0226b 022889 022697 0229 117 240v soo via 7025 i soo 7025 vs 12at7 560 3kv 100k 021857 treb'e switch vib 02tesz v2b 021832 2sv v4a 7025 820 330k zoov.

Web View And Download Fender Super Sonic 60 Owner's Manual Online.


Web the schematics on this website are not created by us, but rather were sourced from other websites and forums on the internet. For those unfamiliar with this model, let’s review. On um c voltages reat following khz sine eve input to an resistive across control set to controls set off.

Web As The Schematic Excerpt In Fig.


Web fender super sonic 60 combo schematic rev a. We do not take responsibility for any errors in the. Read or download the pdf for free.

You Can Only View Or Download Manuals With.


Sign up and get 5 for free. While the prior values are great for the “traditional” type of fender tone,. Web six numbers arc fender 3.