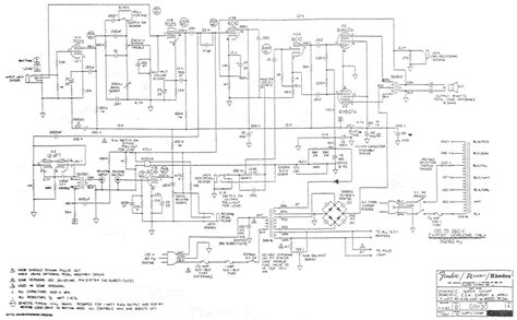
Fender Super Champ Schematic

Fender Super Champ Schematic. Web fender super champ xd schematic | the gear page trending home forums the gear amps/cabs tech corner: Web view and download fender super champ x2 combo service manual online.

Fender Super Champ 1983 Trouble Telecaster Guitar Forum
Fender Super Champ 1983 Trouble Telecaster Guitar Forum from www.tdpri.com

Web fender super champ schematic (pdf download) can't find what you need? Web fender super champ xd schematic | the gear page trending home forums the gear amps/cabs tech corner: Web fender super champ schematic.

Amplifier, Cab & Speakers Fender Super.


1 upgrading the bias feed resistor failure of. If you’re going to do both mods, test the amp after each one. Web fender super champ xd schematic | the gear page trending home forums the gear amps/cabs tech corner:

5) Do Not Use This Apparatus Near Water.


6) clean only with dry cloth. I have access to literally hundreds of thousands of obsolete user manuals, lots of repair. Web fender super champ schematic (pdf download) can't find what you need?

This Is The 1 Pages Manual For Fender Super Champ Schematic.


Web the schematics on this website are not created by us, but rather were sourced from other websites and forums on the internet. Web view and download fender champ super instruction manual online. Super champ x2 combo amplifier pdf manual download.

Web Fender Super Champ Schematic.


Read or download the pdf for free. If you want to contribute, please mail your. Web view and download fender super champ x2 combo service manual online.

Web 1) Read These Instructions.


Super champ xd amplifier pdf manual download. Web princeton reverb ii, not a super champ, but the 2 amps are very similar. Web view and download fender super champ xd service manual online.