Heathkit Aa 151 Schematic. We have sent a verification link. 7 pgs 11.37 mb 0.

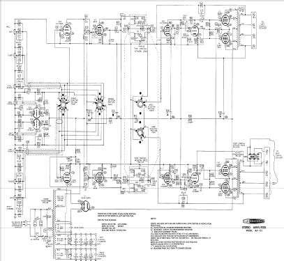
14 watts per channel into 8ω (stereo) frequency response: 30hz to 15khz total harmonic distortion: Notice that the 6an8 pentode section is biased at 1.5 v.
Heathkit Aa 151 Schematic. We have sent a verification link. 7 pgs 11.37 mb 0.

14 watts per channel into 8ω (stereo) frequency response: 30hz to 15khz total harmonic distortion: Notice that the 6an8 pentode section is biased at 1.5 v.
30hz to 15khz total harmonic distortion: 22 pgs 12.77 mb 0. You have been successfully registered.
By cornwalled december 1, 2005 in technical/restorations. 14 watts per channel into 8ω (stereo) frequency response: 7 pgs 11.37 mb 0.
Web 701 rows heathkit schematic and manual archive. Web for a cdp it is way too much gain. Web heathkit aa 151 stereo amplifier assembly and operation manual.
Notice that the 6an8 pentode section is biased at 1.5 v. Rms o/p of a cdp is 2.8 v. You have been successfully registered.
This is an archive based on a page.