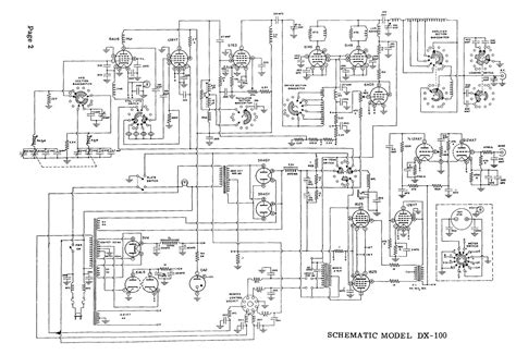
Heathkit Dx 100 Schematic

Heathkit Dx 100 Schematic. Replaced ac cord with three wire cord and plug. Cirtics, the old timer california am'ers, returned outstanding test results.

Realistic DX100L Analog SWL Receiver Radio
Realistic DX100L Analog SWL Receiver Radio from www.qsl.net

A more detailed description of changes will follow below. Vintage schematics, manuals and more Heathkit dx 100 schematic heathkit_dx100 dx100.

26 Pgs 1.34 Mb 0.


21 pgs 942.86 kb 0. Cirtics, the old timer california am'ers, returned outstanding test results. The most contested presidential election in the history of the united states, and it was.

Replaced Ac Cord With Three Wire Cord And Plug.


Vintage schematics, manuals and more 1 pgs 184.54 kb 0. Dimensions (whd) 20.875 x 13.75 x 16 inch / 530 x 349 x 406 mm;

Heathkit Dx 100 Schematic Heathkit_Dx100 Dx100.


A more detailed description of changes will follow below. 21 pgs 815.9 kb 0. Web 701 rows diagram and schematic :