Heathkit Hw 101 Schematic

Heathkit Hw 101 Schematic. The tubes were removed, noting which particular tube came from which. Read or download the pdf for free.

The Heathkit HW101 HP23/PS23 Power Supply Restoration
The Heathkit HW101 HP23/PS23 Power Supply Restoration from www.frostburg.edu

Web view and download heathkit hw101 instruction manual online. You have been successfully registered. Upload your files to the site.

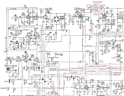
Click Here For A High Resolution Schematic Suitable For Printing 120V Ac.


We have sent a verification link. You have been successfully registered. Web view and download heathkit hw101 instruction manual online.

You Get 1 For Each File You.


Web this is the 245 pages manual for heathkit hw 101 manual. Upload your files to the site. You can only view or download manuals with.

Read Or Download The Pdf For Free.


Links will become active as i make. If you want to contribute, please mail your pdfs to info@audioservicemanuals.com. The tubes were removed, noting which particular tube came from which.

Sign Up And Get 5 For Free.


Click on any area of the schematic diagram to learn about that part of the circuit.