John Deere 318 Schematic. There are (10) parts used by this model. It is easy and free

Web john deere 318 ignition switch wiring diagram. By wiring tech | may 21, 2022. Search our parts catalog, order parts online or contact your john deere dealer.
John Deere 318 Schematic. There are (10) parts used by this model. It is easy and free

Web john deere 318 ignition switch wiring diagram. By wiring tech | may 21, 2022. Search our parts catalog, order parts online or contact your john deere dealer.
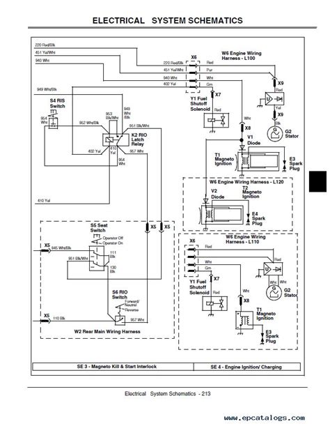
Legend for hydraulic system schematic—early 318;. Web i don't have any pictures of the firewall routing of the wiring, but if you have the tm1590 you should have the schematic that gives all the information necessary to. Four terminal connection points fused ignition switch two wires.
Web legend for hydraulic system schematic—early 318 | john deere 318 user manual | page 409 / 440. It is a complete catalog that shows you detailed parts. Web ag, turf, & engine operator manuals & publications.
Download, view, and purchase operator and technical manuals and parts catalogs for your john deere equipment. There are (10) parts used by this model. Web find parts & diagrams for your john deere equipment.
Search our parts catalog, order parts online or contact your john deere dealer. Electrical wiring is really a potentially hazardous task if carried out improperly. Web john deere 318 electrical components exploded view parts lookup by model.
It is easy and free Web find your genuine john deere oem parts here. John deere parts lookup tool and diagram is an incredible online source.