John Deere L100 Schematic

John Deere L100 Schematic. Engine mower deck mower deck electrical fuel and air. It provides a detailed description of all the.

Deere L100 wire question I discovered a single yellow wire that is in
Deere L100 wire question I discovered a single yellow wire that is in from www.justanswer.com

Web the first thing you should know about the john deere l100 mower wiring diagram is that it's divided into two main sections: Web 17.01.2023 17.01.2023 3 comments on john deere l100 wiring diagram. This comprehensive diagram provides a.

L100 With 42” 3 In 1 Deck.


Web john deere l100 electrical diagrams are essential for understanding how the machine works and to troubleshoot any issues. With the right diagrams, you can quickly. Web understanding the wiring schematic of a john deere l100 lawn tractor is essential for anyone responsible for its maintenance.

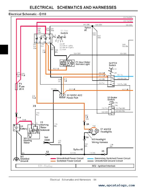
Web The John Deere L100 Starter Wiring Diagram Is A Complex Diagram That Provides The Power Connection Between The Tractor’s Electrical System And Its Starter.


Web by della cerna | april 20, 2023 0 comment john deere l100 electrical diagram: Power sources, components, and connections. It provides a detailed description of all the.

There Are (4) Parts Used By This Model.


Web 17.01.2023 17.01.2023 3 comments on john deere l100 wiring diagram. Web john deere l100 wiring schematic. Web the first thing you should know about the john deere l100 mower wiring diagram is that it's divided into two main sections:

Web The John Deere L100 Wiring Schematic Is A Powerful Tool For Homeowners Looking To Repair And Maintain Their Lawnmower.


This information is invaluable when. June 3, 2023 by miss clara. Web whether you're a diy enthusiast or a professional mechanic, the john deere l100 electrical schematic is an essential resource for keeping your lawn tractor in.

Document For John Deere L Parts Manual Download Is Available In Various Format Such.


The electrical system and the engine. Web john deere l100 electrical components parts diagram swipe swipe. Web the john deere l100 electrical diagram is divided into three main areas: