John Deere Lt160 Electrical Schematic

John Deere Lt160 Electrical Schematic. Discover a wide selection of model lt160 john deere tractor parts at green part store. Help with jack's parts lookup.

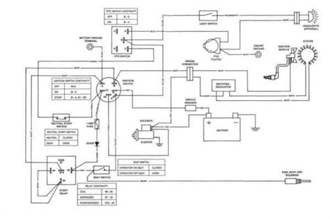
John Deere Lt160 Mower Start Side Wiring Diagram
John Deere Lt160 Mower Start Side Wiring Diagram from diagramweb.net

Web 386 pages in.pdf format 47.8 mb in.zip format for super fast downloads! Web the john deere lt160 manual is a comprehensive guide that provides information about operating, maintaining, and troubleshooting your john deere lt160. Web find parts & diagrams for your john deere equipment.

Web John Deere Lt160 Parts Diagram For Electrical Components.


Web illustrated factory diagnostic and repair technical service manual for john deere lawn tractors models lt150, lt160, lt170, lt180, lt190. Discover a wide selection of model lt160 john deere tractor parts at green part store. Web the schematic is a great help much appreciated once again all of you folks have come thru cheers!!

Web Technical Manual North American Version Litho In U.s.a.


John deere 160 lawn tractor my forum. Web john deere lt160 lawn tractor with 38 in mower deck pc9072 battery cables electrical. Introduction manual description this technical manual is written for an experienced.

Web Find Parts & Diagrams For Your John Deere Equipment.


Web the john deere lt160 manual is a comprehensive guide that provides information about operating, maintaining, and troubleshooting your john deere lt160. Web 386 pages in.pdf format 47.8 mb in.zip format for super fast downloads! Rherndon42 · #5 · sep 22, 2017.

Search Our Parts Catalog, Order Parts Online Or Contact Your John Deere Dealer.


Web a digital database of operator, diagnostic, and technical manuals for john deere products. I have searched and searched and have come up with two options. Web john deere lt160 parts diagrams.

Help With Jack's Parts Lookup.


Find everything from mower decks, baggers, blades, and snowblower parts. Web it contains deep information about maintaining, assembly, disassembly and servicing your john deere lt150, lt160, lt170, lt180 lawn tractors. Home | diagrams by model | john deere | riding mower | lt160 | electrical components.