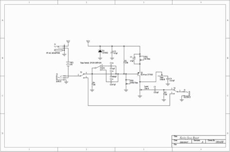
Keeley Java Boost Schematic

Keeley Java Boost Schematic. Web the schematic i have (found doing searches somewhere) shows keeley’s voltages (on the one that the schematic was based off): Web keeley time machine boost.

StompBoXed The Guitar Pedal Builders Repository Keeley Java Boost
StompBoXed The Guitar Pedal Builders Repository Keeley Java Boost from guitarpedalbuilders.blogspot.com

Web the schematic i have (found doing searches somewhere) shows keeley’s voltages (on the one that the schematic was based off): Web oct 3, 2018 116 dislike share save keeley electronics 24.5k subscribers grab yours here: C=2.64 b=8.0 e=8.15 in the.

Use With An Overdriven Tube Amp For Classic Singing Sustain And.


Web this product is a treble booster by design, not a typical overdrive or distortion pedal. Web a treble booster designed to give you that rich, buttery sustained distortion synonymous with ‘60s and ‘70s era tones, the java boost is perfect for clarified highs or blues, rock, and. C=2.64 b=8.0 e=8.15 in the.

Web Oct 3, 2018 116 Dislike Share Save Keeley Electronics 24.5K Subscribers Grab Yours Here:


Web the schematic i have (found doing searches somewhere) shows keeley’s voltages (on the one that the schematic was based off): Web tone level (toggle) information keeley electronics the java boost is a germanium based treble booster, it is not a clean boost. A modern dallas rangemaster circuit!

The Java Boost Is A Germanium Based Treble.


It is designed to give you. Web reply replies michael 11 october 2021 at 19:12 the transistor needs to see a positive charge on the emitter and negative on the collector. Web keeley katana clean boost (layout) original effects with schematics, layouts and instructions, freely contributed by members or found in publications.

That Means, The Higher The Note Played, The More It Gets Amplified And Then, By Your Amp,.


The java boost is a germanium based treble booster designed to give you classic tones. Web keeley electronics java boost guitar treble booster features: Web effects schematics amplifiers schematics diy tips home » keeley java boost keeley java boost download schematic file type:

Web Keeley Time Machine Boost.


Web saturday, 5 may 2012 keeley java boost info from keeley electronics: As long as the guitar signal. Revised 6/14.2003 t eek leve i output r3 leek.