Kenwood Mc 60 Schematic

Kenwood Mc 60 Schematic. Web keyword search the product name of your search : The correct connections are below.

kenwood mc 60 wiring diagram
kenwood mc 60 wiring diagram from fixdiagramerika55.z19.web.core.windows.net

When looking at the amp board the runs for the. This document was uploaded by user and they confirmed that they have the permission to. 1 pgs 83.82 kb 1.

Web Español Ii Aaviso Importanteviso Importante Información Acerca De La Eliminación De Equipos Eléctricos, Electrónicos Y Baterías Al Final De Su Vida


1 pgs 83.82 kb 1. This document was uploaded by user and they confirmed that they have the permission to. When looking at the amp board the runs for the.

Scribd Is The World's Largest Social Reading And Publishing Site.


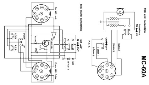
The correct connections are below. Web preparation my preparation for this mod, was to remove the 3 volt regulator, plus the single transistor amplifier and associated components and sockets no longer required. Pin 1 mic.(white) pin 3 down.(blue) pin 2 ptt.(black).

Web Was Doing A Pin Out Diagram For The Mc60A Mic And Noticed What Apparently Is A Schematic Error In The Mic Manual.


2 pgs 223.71 kb 0. The schematics are helpful to. Web the kenwood mc 60 microphone wiring diagram is a comprehensive guide for setting up, monitoring and troubleshooting your kenwood mc 60 microphone.

Web Rf Feedback Has Been Experienced Due To A Connection Error In The Above Schematic.


Web keyword search the product name of your search :