M Audio Bx8A Schematic

M Audio Bx8A Schematic. Your studiophile bx8a box contains: • • • two bx8a speakers two detachable ac power cords this manual studiophile bx8a features 1.

MAudio BX8a Deluxe image (721707) Audiofanzine
MAudio BX8a Deluxe image (721707) Audiofanzine from en.audiofanzine.com

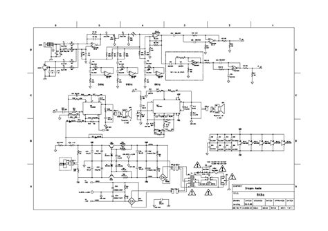
Your studiophile bx8a box contains: Audio is well known for digital audio interface technology, digital. Web there is no schematic for it, but i have managed to find a similar schematic (attached).

Studiophile Bx8A Deluxe Speakers Pdf Manual.


Series pianos usb audio and midi interfaces midi. Page 2 deutsch studiophile bx8a deluxe einführung vielen dank, dass sie sich für die aktiven 8”. • • • two bx8a speakers two detachable ac power cords this manual studiophile bx8a features 1.

Web What’s In The Box?


Bx8a speakers pdf manual download. I have the original m audio studiophile bx8 monitors and i recently lost the lf output amp in one of my. Its identical apart from the opamps and the voltage regulation transistors.

Web Page 1 Studiophile™ Bx8A Deluxe Deutsch Benutzerhandbuch F.


Audio is well known for digital audio interface technology, digital. Your studiophile bx8a box contains: Web there is no schematic for it, but i have managed to find a similar schematic (attached).

M Audio Bx8A Schematic Electronic Keyboard Axiom Air 61.