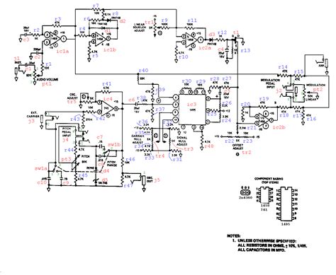
Maestro Ring Modulator Schematic

Maestro Ring Modulator Schematic. Web (1961) (maestro stereo 30) schematic and parts list only. The pcb inside this unit is stamped with.

Dirtbox Layouts Maestro RM1A Ring Modulator
Dirtbox Layouts Maestro RM1A Ring Modulator from dirtboxlayouts.blogspot.com

Web its designer [acidbourbon] remarks that the circuit bears a striking resemblance to a ring modulator,so has taken it down that path by producing a 74hc. These were assembled by oberheim and sold by maestro. The pcb inside this unit is stamped with.

Web Jan 30, 2008.


Additionally, there is some variation with this. Maestro™ ring modulator bill of materials text; Maestro ring modulator, anyone built one?

Web Maestro™ Ring Modulator Build Instructions Text;


Web its designer [acidbourbon] remarks that the circuit bears a striking resemblance to a ring modulator,so has taken it down that path by producing a 74hc. Like many vintage effects, condition is a major factor for resale value. I built one back in the '80's from craig anderton's original.

These Were Assembled By Oberheim And Sold By Maestro.


June 14, 2011, 12:10:16 pm ». My friend offered to build me a pedal as that is his hobby. Web maestro rm 1a ring modulator.

I'm Wanting Something Unique, So I'm Thinking Of Having Build Me A Maestro.


Web here is a rare maestro ring modulator effect built by tom oberheim. Web maestro ring modulator schematic [44 kb] maestro ringmodulator schematic [43 kb] Web download maestro ringmodulator sch service manual & repair info for electronics experts service manuals, schematics, eproms for electrical technicians this site helps.

Web (1961) (Maestro Stereo 30) Schematic And Parts List Only.


16 total pages (1 intentionally blank), stapled, no additional covers or binding. Web here are some sound clips. Help me to keep this site.