Marshall Jcm 900 Schematic

Marshall Jcm 900 Schematic. Web marshall jcm900 2100, 2101, 4100, 4101 and 4102 power supply and output section schematic Read or download the pdf for free.

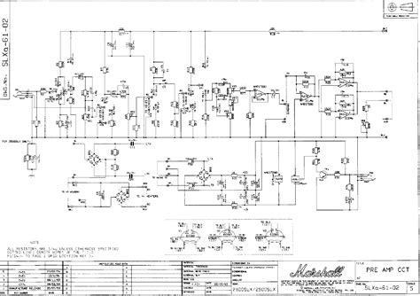
Marshall Jcm 900 Schematic Diagram diagram wiring power amp
Marshall Jcm 900 Schematic Diagram diagram wiring power amp from diagramwiringpoweramp.blogspot.com

Web marshall jcm900 2100, 2101, 4100, 4101 and 4102 power supply and output section schematic 5 pgs 423.51 kb 0. A friend has one, and it doesn't work properly.

Web #1 Hi, I'm Looking For A Service Manual For This Guitar Amp.


Web the original schematics for the marshall jcm 900 dual reverb 4100 and 4500 models is publicly available on dr.tube, and even more specifically on thetubestore. Web marshall jcm900 2100, 2101, 4100, 4101 and 4102 power supply and output section schematic Last year i posted that i replaced caps on a friends jcm 900 100watt dual reverb model 4100.

5 Pgs 433.71 Kb 0.


1 pgs 17.71 kb 0. Web sep 10, 2021. The full reference is jcm 900 4200.

5 Pgs 423.51 Kb 0.


Marshall jcm 900 power amp This is the 1 pages manual for marshall 4101 4102 jcm 900 series schematic. Web 900 reissue but cant's find the schematics ,.don't know if there were any changes done to the reissue,.emailed marshall to ask them so still waiting for their.

Read Or Download The Pdf For Free.


A friend has one, and it doesn't work properly. Web marshall 4101 4102 jcm 900 series schematic. 1 pgs 75 kb 0.

1 Pgs 80.73 Kb 0.


It's been working fine until recently one or more.