Marshall Jtm 30 Schematic

Marshall Jtm 30 Schematic. The gz34 rectifiers were phased during. Web schematic with 4x ecc83 & 4x kt66 (marshall).

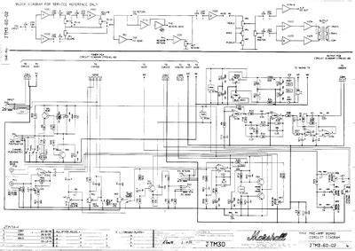
MARSHALL JTM30 30W JTM310 SCH Service Manual download, schematics
MARSHALL JTM30 30W JTM310 SCH Service Manual download, schematics from elektrotanya.com

Help me to keep this site with no. Web using the jtm 30 as far as tone settings go we would suggest that you start with the jtm 30 is easily capable of the tone controls set at about 5 and producing a wide range of. Jtm100 1968 super pa, 100w head.

It Had 4 Channels And 8 Inputs.


In 1994, marshall introduced the jtm30 amps, which were discon­tinued in 1997. Web here are tips you can apply and help you in marshall jtm30 schematic. My amp guy currently has my jtm 30, the clean channel is awesome, but the overdrive sucks, and with the gain only set to two and the volume at 8.

Help Me To Keep This Site With No.


Web marshall jtm30 schematics service manuals. After downloading, the file may take a moment to open in the browser. Read or download the pdf for free.

Starts With The Right Equipments Prior To You Start Any Electrical Installation, It Is Vital To.


To reflect this the jtm45 panels were changed to jtm50 panels. Jtm45 1963 super pa, 45w head. Web using the jtm 30 as far as tone settings go we would suggest that you start with the jtm 30 is easily capable of the tone controls set at about 5 and producing a wide range of.

This Amp Was In Production From 1965 To 1966.


If you are in need of an oem service manual, you came to the right place! These amps were built as a 2×10″ combo or as an 1×12″ combo. It was the pa ver­sion of the 1959.

Web This Is The 1 Pages Manual For Marshall Jtm45 Schematic.


Most of our service manuals are immediately. Jtm100 1968 super pa, 100w head. Web introduction marshall amplification has been inextricably linked with valveamplification since our very beginning in 1962.