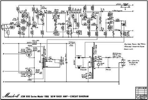
Marshall Mosfet 100 Schematic

Marshall Mosfet 100 Schematic. Web the schematic probably is showing 1.5a as the fuse value for 240v operation. X +50v bahm notes all unless s rayed all capaci m;

Marshall mosfet 100 power amp issues
Marshall mosfet 100 power amp issues from music-electronics-forum.com

5213 mosfet 100 reverb twin, 100w 2×12″ combo. R36 and r37 (if i'm reading the numbers. X +50v bahm notes all unless s rayed all capaci m;

Schematic Of The Power Amp & Psu With 1X Ecc83 & 2X El34, Jm100Ct Issue 2.


Web marshall 5213 mosfet 100w mosfet reverb twin combo amp schematic. Started by jackd, january 26, 2009, 04:47:20 pm. They're so positive, and people say that it's probably one of the best solid.

This Combo Was Introduced In 1986 And Was.


According to the sticker in your amp you are in the usa, where a fuse of double current. Web here's a schematic for the amp: X +50v bahm notes all unless s rayed all capaci m;

The Information On This Website Is For Educational Purposes Only.


All trademarks, logos, and brand names are the property of their respective owners. R36 and r37 (if i'm reading the numbers. Web schematic, issue 5 (marshall, 1986).

Schematic, Issue 3 (Marshall, 1988).


Schematic, , amplifier, hartke, guitar, power, amp Having the reverb knob change the gain is inherent to the design. Yes, that's one ugly schematic.

Help Me To Keep This.


Web i recently picked up a marshall lead 100 mosfet (model 3210) made in 1987 and have to say it's impressive, especially for being a solid state amp. 5213 mosfet 100 reverb twin, 100w 2×12″ combo. Hid sma z e 3 z/ q.