Mesa Boogie Mark Iic+ Schematic

Mesa Boogie Mark Iic+ Schematic. Web helsinki, finland, march 1, 2023 — neural dsp today announced the launch of the mesa boogie mark iic+ suite. Web the mesa boogie mark iic++ is a mod done by mike b of mesa boogie on mesa mark iic+ model amps.

The Mesa/Boogie Mark IIC+ Vintage Guitar® magazine
The Mesa/Boogie Mark IIC+ Vintage Guitar® magazine from www.vintageguitar.com

Web manuals brands mesa/boogie manuals musical instrument amplifier three channel dual & triple rectifier solo. Resistor and capacitor numbers are not. Read or download the pdf for free.

6 Pgs 359.52 Kb 0.


Web how can you determine if a mark iic is a mark iic+? Probably all of them in fact,. I bought it 2 years ago at a quite cheap.

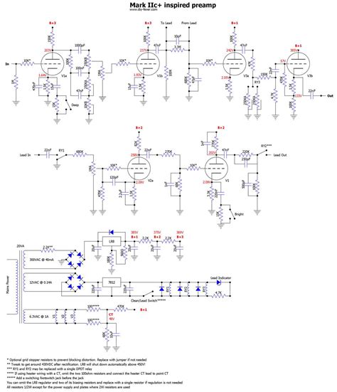
Web Hi, Sorry I'm Pretty Late To This But I Have An Unused Pcb Set From Ampclones For The Mark Iic+ (And Prety Much All Of The Components.


When i learned that there would be a final project in phys 498, i decided fairly quickly that i wanted to. Read or download the pdf for free. Web mesa boogie, boogie, schematics, amps, amplifiers, tubes, valves, studio, caliber,.22 caliber,.50 caliber, stereo, bass, blue angel, dual caliber, dual rectifier, heart.

If You Want To Contribute, Please Mail.


I am a happy french owner of a mark iii red stripe combo, fully loaded with reverb, geq, simulclass and an evm12l. All rights belong to mesa/boogie ltd. We began building mark iic amps at serial number 11000 and mark iic+ amps at approximately serial number 12400.

1 Pgs 200.77 Kb 0.


Web #1 well, it's about time we had a legible schematic for this amp. As others have stated in this thread, this is a mod that. Used for education and maintenece purposes.

Web Mesa Boogie Mark I Introduction:


Web mesaboogie mark ii c schematics. This new plugin is precisely engineered and. Web the mesa boogie mark iic++ is a mod done by mike b of mesa boogie on mesa mark iic+ model amps.