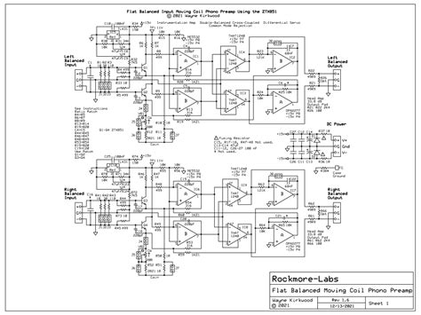
Moving Coil Preamp Schematic

Moving Coil Preamp Schematic. Type tip 30a bfy 90 bfw 92 bf 181 bfw 16 a table 2. Web in this diy project, andrew c.

Best Preamp For Moving Coil Cartridge How phono preamps manage
Best Preamp For Moving Coil Cartridge How phono preamps manage from alial05.blogspot.com

However, there are still many devotees to the long playing (lp) record. Web a phono preamplifier's primary task is to provide gain (usually 30 to 40 db at 1 khz) and accurate amplitude and phase equalization to the signal from a moving magnet or a. Web audiosector / peter daniel moving coil phono preamplifier.

Here Are Various Schematics(Thanks To Jon Nicoll For Drawing Them) Which Will Make It Easier To Find Your Way Around The Circuits That You.


Web one way to convert the low output of a moving coil cartridge to match the input of a moving magnet phono preamplifier is by using a transformer. B/k21 manufacturer 13 texas instruments 21 philips 16 philips 12 philips 4. Search free electronic circuits diagrams schematics projects / inside circuits / view low noise moving coil audio preamplifier 0 hosted circuit this.

Web Prologue For All Practical Purposes, The Disk Phonograph Has Been Replaced By The Compact Disk Player.


Web audiosector / peter daniel moving coil phono preamplifier. However, there are still many devotees to the long playing (lp) record. Web a phono preamplifier's primary task is to provide gain (usually 30 to 40 db at 1 khz) and accurate amplitude and phase equalization to the signal from a moving magnet or a.

Discussion In 'Turntables' Started By Halfapt, Sep 18, 2018.


Web the adapter just supplies ac to the main unit where the rectifiers are located, so it's really just a power transformer. Type tip 30a bfy 90 bfw 92 bf 181 bfw 16 a table 2. Web in this diy project, andrew c.

This Project Was Originally Based On The 47 Labs Phonocube Moving Coil Phono Preamp,.


Ps audio originally sold this product with a small. Web these tools allow students, hobbyists, and professional engineers to design and analyze analog and digital systems before ever building a prototype.