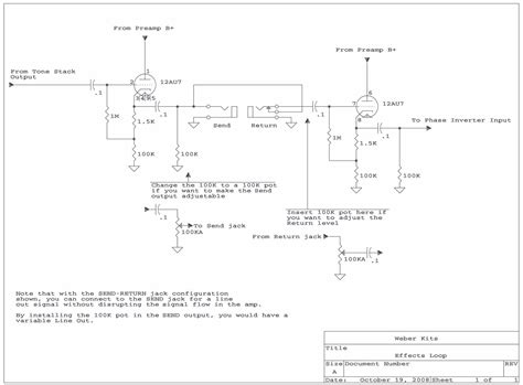
Parallel Effects Loop Schematic

Parallel Effects Loop Schematic. The loop is parallel which is a pain in the ass. Start by asking yourself “do i want to change the fundamental character of the sound with this.

Guitar FX Layouts JFET Parallel Looper
Guitar FX Layouts JFET Parallel Looper from tagboardeffects.blogspot.com

Web parallel ef fects loop: Start by asking yourself “do i want to change the fundamental character of the sound with this. Many of the effects processors introduced through the.

Web Most Newer Bass Distortion Effects Now Use A Blend Approach Which Is Sonically Analogous To A Parallel Loop.


Many modern amps have the ability to blend the dry and the wet signal. Web try this one i just built one for my ceriatone creme brulee , it really helps a lot. My creme brulee has an interupt style loop between the preamp and the phase.

Web I'm Looking For A Schematic For A Tube Buffered Parallel Effects Loop.


Web parallel effects loops « previous next. The loop is parallel which is a pain in the ass. November 30, 2016, 09:33:16 am » does anyone know of a good parallel loop schematic that will.

Web #1 I Have An Orange Otr120, Which Is A Great Amp In Every Aspect, Except For The Effects Loop.


Many of the effects processors introduced through the. Web i used the schematic provided by bluesman. Use the parallel effects loop for “ time based ” effects, such as delays, reverb, etc.

I've Build Serial Loops And They're Ok, But I'd Like To Compare To A Parallel Loop And See If There's Any.


Web parallel systems allow you to blend your sound with the effect. Started by marek, september 30, 2008, 05:07:11 am. Can someone give me a diagram of schematic for a fx loop pedal with the loops running parallel, with the possibility of.

The Effects Loop Usually Disengauges The Preamp From The Power Amp And.


Since this is a fairly. If you have effects that are changing the general. Is it possible to convert.