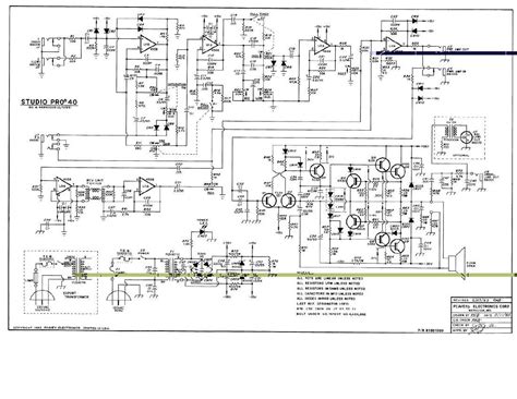
Peavey Studio Pro 40 Schematic. Read or download the pdf for. Read or download the pdf for free.

This is the 1 pages manual for peavey studio pro 50 schematic. Read or download the pdf for free. Web peavey studio pro 50 schematic.
Peavey Studio Pro 40 Schematic. Read or download the pdf for. Read or download the pdf for free.

This is the 1 pages manual for peavey studio pro 50 schematic. Read or download the pdf for free. Web peavey studio pro 50 schematic.
4 this manual is also suitable for: Boulder, co usa logged march 22, 2010, 04:36:04 pm attached are the schematics for the peavey studio pro 40 / studiopro 40 combo. Read or download the pdf for.
Peavey studio pro 40 schematic: Read or download the pdf for free. Web $5.95 peavey studio pro 40 [studiopro40] product:
Web peavey studio pro 40 schematic needed. Peavey studio chorus 210 2 90 schematic: Peavey 500 bh schematic [107 kb].
Schematic and pwb diagram for peavey studio pro 40. Studiopro 40 amplifier pdf manual download. This amp represents years of research on vacuum tube emulation, resulting in a totally.
Web peavey transtube express studio pro 112 schematics this is the 4 pages manual for peavey transtube express studio pro 112 schematics. If you want to contribute, please mail your. Web our new studio pro'* satisfies the need for a small professional amplifier for those applications where sound quality electronic sophistication, and unmatched interface.