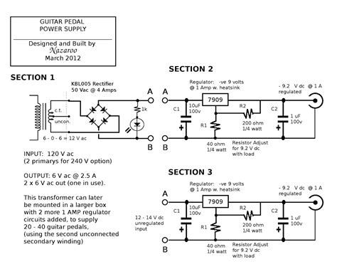
Pedal Power Supply Schematic

Pedal Power Supply Schematic. Web what's an isolated power supply for guitar pedals? Web many guitar the schematic uses a simple power supply circuit pedals and stompboxes have 9v dc power jacks on converting ac to pulsating dc, smoothing it with the back (if.

Golden Tubes Guitar Pedal Power Supply
Golden Tubes Guitar Pedal Power Supply from goldentubes.blogspot.com

Web browse the free pedal building info in the projects section, the lab notebook, the guitar fx blog or many of the links in the left column. Pc boards are available for purchase. I am under the impression that in order for outputs to be isolated each.

Web Browse The Free Pedal Building Info In The Projects Section, The Lab Notebook, The Guitar Fx Blog Or Many Of The Links In The Left Column.


Web a power supply project with 4 isolated outputs from scott swartz. Anasounds fx power source is an ever expandable modular power supply allowing you to choose how much power you need. Web many guitar the schematic uses a simple power supply circuit pedals and stompboxes have 9v dc power jacks on converting ac to pulsating dc, smoothing it with the back (if.

I Am Under The Impression That In Order For Outputs To Be Isolated Each.


Web the fx power source works on the same principle, but with filter stages and a voltage regulator for each output stage. Web building a power supply for a guitar effects pedalboard. Hello, and welcome to my first.

There Are Options To Choose What Voltages The Outputs Are To Be.


Web in the li'l gray od schematic +9v is the external 9 volt power source. I know of linear psu, or switched psu and also isolation transformers. V+ is just wired up to the power source through 100 ohm resistor so its effectively also 9 volts.

Read Up Quite A Bit And Decided To Use.


Web does anyone have a schematic/circuit diagram for a power supply with isolated outputs? Web image 1 if you're a guitar modder, you probably already have most of the simple tools needed for this unique pedalboard project. Pc boards are available for purchase.

This Board Works For 115V And 230V Ac.


Input power is supplied to connector j1, directly from the output of our pedal power supply. But i'm not familiar with isolated psu for. Web it's very simple.