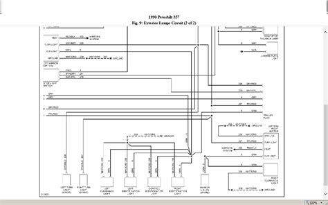
Peterbilt 357 Wiring Schematic

Peterbilt 357 Wiring Schematic. Web home / heavy trucks / peterbilt / 357 / 2002 / 2002 peterbilt 357 electrical wiring diagram manual $ 299.00 original factory diagram targeted towards troubleshooting for. Original factory diagram targeted towards troubleshooting for your machine’s electrical system.

Wiring Diagram For 1994 Peterbilt 379 Wiring Diagram
Wiring Diagram For 1994 Peterbilt 379 Wiring Diagram from wiringdiagram.2bitboer.com

Web does anyone have a wiring diagram for a 1997 peterbilt 357? This diagram is essential for properly powering and connecting the radio. Web home / heavy trucks / peterbilt / 357 / 2002 / 2002 peterbilt 357 electrical wiring diagram manual $ 299.00 original factory diagram targeted towards troubleshooting for.

Web Does Anyone Have A Wiring Diagram For A 1997 Peterbilt 357?


Web 2006 peterbilt 357 electrical wiring diagram manual. Web this is a 4 page factory wiring diagram for the peterbilt 379 family ( 357, 375, 377, 378, 379) from 1970 to 1997 with the dill block (dillblox) fuse panel. Original factory diagram targeted towards troubleshooting for your machine’s electrical system.

The 379 Family Includes The 357, 375, 377, 378, 379).


Original factory diagram targeted towards troubleshooting for your machine’s electrical system. Web i need the wiring scematic for a 2005 357 with cat c13.need schematics for cab and chasis and engine showing all info.tried 2 different dealerships and they have. Web peterbilt truck pdf service manuals free download, electric wiring diagrams & fault codes dtc;

Web Peterbilt Heavy Duty Body Builder Manual 2.1M 2019 Vecu Architecture.


Web 2003 peterbilt 357 electrical wiring diagram manual. A google ad is shown. Each page is 16 x 24.

This Diagram Is Essential For Properly Powering And Connecting The Radio.


Web home / heavy trucks / peterbilt / 357 / 2002 / 2002 peterbilt 357 electrical wiring diagram manual $ 299.00 original factory diagram targeted towards troubleshooting for. Web we suspected the black vdo box, inspected the circuit board inside with magnifiers for burnt reistors or expanded capacitors, all of the printed circuit board looks. Peterbilt heavy duty body builder manual 2017.