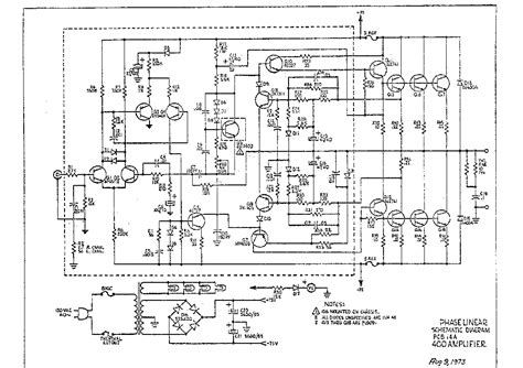
Phase Linear 400 Schematic

Phase Linear 400 Schematic. Most of our service manuals are immediately available as a pdf. Phase linear phase linear 400 owner manual phase.

PHASE LINEAR 400 Service Manual download, schematics, eeprom, repair
PHASE LINEAR 400 Service Manual download, schematics, eeprom, repair from elektrotanya.com

Read or download the pdf for free. If you want to contribute, please mail your pdfs to. Web view and download phase linear 4000 series service manual online.

Audio Control Console (1976) (1 Review)


Web view and download phase linear 400 instruction manual online. Phase linear 200 power amplifier schematic, phase linear 200ll power amplifier. Web phase linear 400 service manuals.

4000 Series Amplifier Pdf Manual Download.


This is the 34 pages manual for phase linear 400 s2 service manual. This is the 1 pages manual for phase linear 400 schematic. Web i recently bought a pl400 needing attention.

Phase Linear 400 Mkii Service Manual Version:


Phase linear 400 owners manual: If you want to contribute, please mail your pdfs to. Read or download the pdf for free.

Web Phase Linear 400 Sch Service Manual Download, Schematics, Eeprom, Repair Info For Electronics Experts.


One channel has original drivers and outputs (rca 410 and xpl909). Web diagram for phase linear amplifier model 400. If you are in need of an oem service manual, you came to the right place!

Phase Linear 400 S2 Service Manual:


Web view and download phase linear 4000 series service manual online. Electronic schematic diagram download and circuit diagram phase linear 400 amp schematic. Web phase linear 400 schematic.