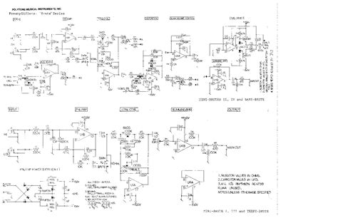
Polytone Mini Brute Schematic

Polytone Mini Brute Schematic. This is a solid state amplifier primarily designed for jazz guitar and bass. I sent a fax to the company but no sign of reaction.

POLYTONE MINIBRUTEⅢ【20160211】 ヤオフク!八百福商店
POLYTONE MINIBRUTEⅢ【20160211】 ヤオフク!八百福商店 from yaofuku.com

This site helps you to save the earth from electronic waste! All concentric knob controls tested and function perfectly. It has high and low volume inputs, an overall volume knob, dual tone controls (treble and bass) for the low volume input and an overall tone control for the high.

Web Service Manuals, Schematics, Eproms For Electrical Technicians.


Mini brute ii guitar amplifier. Web published on 04/23/12 at 21:07. Service manual download, schematics, eeprom, repair info for electronics experts.

All Concentric Knob Controls Tested And Function Perfectly.


Polytone mini brute series i iii treeny brute preamp sch. Web here are a few hard to find polytone schematics. Web polytone mini brute preamp schematic free download.

When Rattling The Spring One.


I sent a fax to the company but no sign of reaction. No harmonic or octave circuits. They used to send the schematics out gladly.

Pickup Only In Staten Island, Ny.


Web home » polytone_mini_brute_preamp_schematic polytone_mini_brute_preamp_schematic. It has high and low volume inputs, an overall volume knob, dual tone controls (treble and bass) for the low volume input and an overall tone control for the high. Web original 1980's polytone mini brute ii amp with original cover, footswitch, manual & schematic.

I Found One At A Garage Sale For Nothing, However It's Missing The 12 Speaker, And There's A.


Web tube amp information, guitar amp schematics, tube amp information Your best bet might be to call polytone and give them the info (serial # and so on). This model has dual channels: