Ps4 Slim Power Supply Schematic

Ps4 Slim Power Supply Schematic. Web ps4 apd 240 ar power supply service manual download, schematics, eeprom, repair info for electronics experts. Web by della cerna|february 2, 2022 0 comment heathkit ps4 power supply sch.

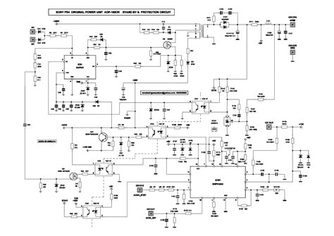
PS4 APD 240 AR POWER SUPPLY Service Manual download, schematics, eeprom
PS4 APD 240 AR POWER SUPPLY Service Manual download, schematics, eeprom from elektrotanya.com

The steps to replace a ps4 power supply depends on the ps4 version. Error can be displayed by a solid blue light indicator (blue light of death). Before replacing the logic board of your playstation 4 slim, you have to turn it off and disconnect all its cables for safety reasons (especially the power supply cable and.

This Is A Repairman's Special Offer, I Am Offering You An Opportunity To Get Your Hands On Real Ps4 Pro Power Supply Repair Schematics With.


Web the ps4 slim schematic diagram pdf is an official document from sony that provides a detailed look into the inner workings of the ps4 slim. Web this short video demonstrates how to replace a power supply in a ps4 slim. Web overall, the ps4 slim schematic diagram pdf is an incredibly helpful resource for anyone looking to gain a better understanding of their playstation 4 slim console.

Web Wiring Diagrams Are Essential For Understanding How To Properly Connect The Many Pieces Of Hardware And Components That Make Up The Console.


Before replacing the logic board of your playstation 4 slim, you have to turn it off and disconnect all its cables for safety reasons (especially the power supply cable and. Web ps4 slim schematic diagram pdf. Error can be displayed by a solid blue light indicator (blue light of death).

Web The Ps4 Slim’s Model And Serial Number Are Located On The Original Packaging And On The Back Of The System.


Web no soldering required. Below, you’ll see how to. Web the ps4 slim schematic diagram reveals the exact layout of the console’s internal components.

The Most Often Replaced Playstation 4 Slim Parts Include The.


Ps4 power supply circuit diagram. Saturated output power (psat) output third order intercept (ip3) supply current (idd) db 17.5 43 , 5 6. Web ps4 apd 240 ar power supply service manual download, schematics, eeprom, repair info for electronics experts.

Ps4 Pro Schematic, Boardview Or Repair Guide Need Hi There Anybody Knows About.


Web ps4 power supply replacement is a fairly common requirement. Web by della cerna|february 2, 2022 0 comment heathkit ps4 power supply sch. The playstation 4 slim is one of the most popular gaming consoles on the.