Quad Ii Amplifier Schematic

Quad Ii Amplifier Schematic. You will require adobe acrobat pdf readerto view these. Web here you will find our collection of quad tube amplifier schematics.

Schematic Quad 2 Tube Amplifier
Schematic Quad 2 Tube Amplifier from www.ampslab.com

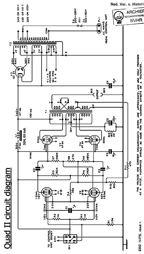
Web the history of peter james walker with the genesis of quad amplifier, see quad history at quadesl.org, unfortunately with some errors,. Figure 2 shows the same schematic but arranged around a shared, quad amplifier package. Web quad ii power amplifier schematic drawing 11175 iss.1 redrawn in original style by keith snook d.c.~daylight ltd.

Web Some Stuff For Sale.


Web quad ii power amplifier quad ii power amplifier schematic drawing 11175 iss.1 redrawn in original style by keith snook d.c.~daylight ltd. Schematics and modelling the output transformer 2.1 schematic diagram figure 2.1 shows the schematic diagram of the quad ii valve amplifier. Web modern computer calculation techniques are intensively applied to new vacuum tube amplifier designs.

1994 (New Pdf Version 2003) T S W Y Q V X R Z U 340V 147Ma.


Web here you will find our collection of quad tube amplifier schematics. But the quad ii schematics is so. Web lm148/lm248/lm348 quad 741 op amps check for samples:

1994 (New Pdf Version 2003) T.


All of these pdf files are available for free download. Web the history of peter james walker with the genesis of quad amplifier, see quad history at quadesl.org, unfortunately with some errors,. Booklet of the quad 22 and quad ii, scanned by valve radio.

Web British Valve Amplifier Schematics.


Web quad 33 m12065 iss 2 schematic [9,0 mb] quad 33 m12065 iss 6 schematic [9,5 mb] quad 33 m12065 iss 7 schematic [9,2 mb] quad 33 schematic all versions [11,2 mb] quad 34. Most available vacuum tube models describe very well. You will require adobe acrobat pdf readerto view these.

Schematic Redrawn By Keith Snook.


Web quad ii power amplifier schematic drawing 11175 iss.1 redrawn in original style by keith snook d.c.~daylight ltd. He says that the output stage cathode. Figure 2 shows the same schematic but arranged around a shared, quad amplifier package.