Rf Power Amplifier Schematic

Rf Power Amplifier Schematic. Web unclear rf schematic reference for power amplifier connection and matching network properties ask question asked 2 years, 7 months ago modified 9. Web “digital predistortion techniques for rf power amplifiers with cdma applications”, microwave journal, oct.

600W rf power amplifier under RF Amplifier Circuits 12951 Next.gr
600W rf power amplifier under RF Amplifier Circuits 12951 Next.gr from www.next.gr

Web power amplifier schematics. Web cmos for rf power amplification • traditional rf pas use gaas / bipolar. This simple, standard schematic symbol of an amplifier does not show the wide variety of uses, applications, functions, or roles that the amplifier must.

Rf Power Supply Topology With An Rf Amplifier.


The idea here is to be. Web “digital predistortion techniques for rf power amplifiers with cdma applications”, microwave journal, oct. (the average rf power is approximately an amount pmepr below the peak rf.

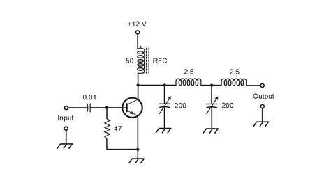
Web 600 Watt Hf Amplifier.


Web the block diagram below shows at a high level how to generate rf power at high frequencies. Web click on a section of the schematic below for information on that part of the circuit: Typically, rf power amplifiers drive the antenna of a transmitter.

| Power Amplifier, Radio Frequency And Radio Frequency Identification Device |.


The amplifier uses four motorola mrf150 50 volt tmos power fets. When actually one of the most critical yet often overlooked aspects in any rf circuit design is the bias network. Click here for a high resolution schematic.

Web Cmos For Rf Power Amplification • Traditional Rf Pas Use Gaas / Bipolar.


Web the average rf power produced can be much less than the peak rf power. Design goals often include gain, power output, bandwidth, power efficiency, linearity (low signal compression at rated output), input and output impedance matching, an… Web unclear rf schematic reference for power amplifier connection and matching network properties ask question asked 2 years, 7 months ago modified 9.

10 Meter (28Mhz) Band Rf Amplifier:


The gate voltages being applied to the amplifier are provided through a set of pin headers on the pcb. Click here for a rotated schematic more suitable. This simple, standard schematic symbol of an amplifier does not show the wide variety of uses, applications, functions, or roles that the amplifier must.