Roland Jet Phaser Schematic

Roland Jet Phaser Schematic. I have a beebaa and a phase 5 (which is effectively what the jet phaser is) and the jet phaser kills. Sets the amount of effected signal fed back into the effect (for a stronger effect) slow rate.

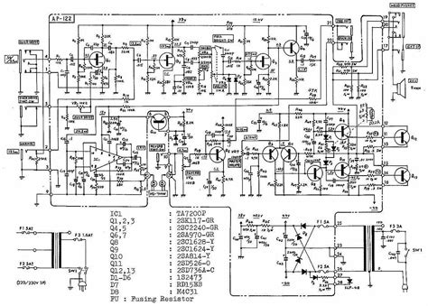
• View topic Roland AP7 Jet Phaser
• View topic Roland AP7 Jet Phaser from freestompboxes.org

Web i have almost finished my jet phaser clone, and it sound awsome. I have a beebaa and a phase 5 (which is effectively what the jet phaser is) and the jet phaser kills. Controls the speed/rate of the lfo wave that controls the.

Web On All Jet Settings, The Phaser Is Integrated;


Ap7 circuit (cleaned up) «. I have a beebaa and a phase 5 (which is effectively what the jet phaser is) and the jet phaser kills. Web home » roland ap 7 jet phaser roland ap 7 jet phaser.

Includes Schematics, Parts Layout, Wiring Guide, And Parts List.


Tuesday, february 11, 2003 10:11:46 pm Controls the speed/rate of the lfo wave that controls the. Web i have almost finished my jet phaser clone, and it sound awsome.

Got One Of These As A Gift In Partially Working Condition.the 'Jet' Settings Work(Basically 2 Different Distortion Settings, One Trebly/Marshall And One Thicker.


Roland jet phaser ap 7 service manual. Web service manual and diagrams of equipment and musical instruments for roland. No configuration offers an isolated jet section.

Sets The Amount Of Effected Signal Fed Back Into The Effect (For A Stronger Effect) Slow Rate.