Rv Ac Wiring Schematic

Rv Ac Wiring Schematic. It shows the various components of the unit and how they are. Web we hope this blog article has helped you understand the basics of rv ac wiring and provided a foolproof guide to creating a wiring diagram for your rv ac.

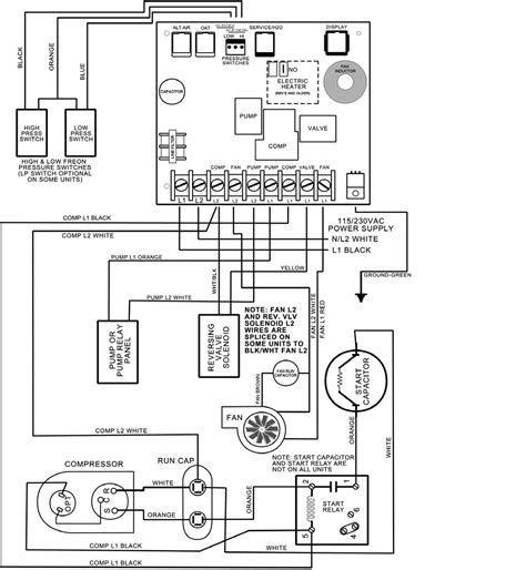
Duo therm Rv Air Conditioner Wiring Diagram Free Wiring Diagram
Duo therm Rv Air Conditioner Wiring Diagram Free Wiring Diagram from ricardolevinsmorales.com

Web the most common wiring schematic for an rv inverter may be seen here. Web rv wiring diagram explained (electrical schematics) understanding ac and dc power in rv. Web diy solar wiring diagrams for campers, vans & rvs.

It Shows The Various Components Of The Unit And How They Are.


Web the dometic rv air conditioner wiring diagram will show you exactly where to find each component of your air conditioner, including all wires, fuses, and plugs. Web a wiring diagram is a simple visual representation of the electrical system in your rv ac unit. Coleman mach family easystart installation wiring diagrams.

Web A Wiring Diagram Or Schematic Is An Abstract Drawing Of How The Wires Look Inside Your Rv.


Web the point of all of this is that there should be both options available to anyone trying to wire up their softstart control for their rv air conditioner. The rating on your inverter has to exceed all possible inputs. Rv electronics work on two types of electrical systems that include.

Carrier Airv Easystart 364 Wiring Diagram.


To properly read a wiring diagram, one offers to find out how typically the components within the system operate. There is no industry standard color coding for this application. When wiring the rv air conditioner, it is.

Web Dometic Air Conditioner Wiring Diagrams ~ Thanks For Visiting Our Site, This Is Images About Dometic Air Conditioner Wiring Diagrams Posted By Maria Rodriquez In.


Web diy solar wiring diagrams for campers, vans & rvs. For example , in case a. That’s why the wiring diagrams of a.

All Brands, Including Fleetwood, Create These Diagrams To Help Electricians Know.


Best inverter for an rv/inverter. Web rv wiring diagram explained (electrical schematics) understanding ac and dc power in rv. Web the supply wire for an ac high fan speed is typically connected to terminal 06 and takes one of two green wires;