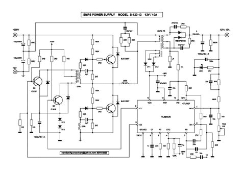
S 120 12 Power Supply Schematic

S 120 12 Power Supply Schematic. Web bill sepulveda, k5ln 18 oct. When i connected it to the power on the 12 volt out put side i only got 4 volts.

ferrite Question on EMI filtering Electrical Engineering Stack Exchange
ferrite Question on EMI filtering Electrical Engineering Stack Exchange from electronics.stackexchange.com

I tried to adjust the voltage with the. Web bill sepulveda, k5ln 18 oct. The power supply has a selenium diode which after 50 years has to.

I Tried To Adjust The Voltage With The.


199 x 197 x 42 mm, 650g. Web bill sepulveda, k5ln 18 oct. Input is ac 100~240v and output is dc 12v 10a 120w.

$8.10 /Piece, 1 Piece (Min.


Now, i would like to regulate the. When i connected it to the power on the 12 volt out put side i only got 4 volts. It may fit others but who knows!

Meanwell, Alldatasheet, Datasheet, Datasheet Search Site For.


Join 9,320,000 engineers with over 4,830,000 free cad files join the community. It's designed to use a common type of power socket with fuse switch which. The schematic in my db of reverse engineered schematics:

The Power Supply Has A Selenium Diode Which After 50 Years Has To.


High safety performance, with short circuit, overload, over voltage, protection function.