Samsung Dryer Wiring Schematic

Samsung Dryer Wiring Schematic. Web when it comes to repairing your samsung electric dryer, understanding the wiring diagram is absolutely essential. Web when it comes to understanding the inner workings of your samsung dryer, electrical diagrams can be a great resource.

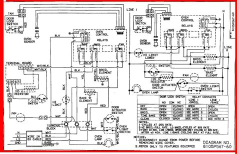
Samsung Electric Dryer Wiring Diagram Colorin
Samsung Electric Dryer Wiring Diagram Colorin from colorin1.blogspot.com

Web electric dryers dv40j3000 wiring schematic. The diagram will show the various electrical. When you are looking for a wiring diagram for your.

Web The Samsung Electric Dryer Schematic Is The Perfect Choice For Anyone Who Wants To Keep Their Home Running Efficiently While Still Enjoying The Convenience Of A.


Web a samsung dryer electrical diagram is a schematic representation of all the main components that make up your dryer. Web electric dryers dv40j3000 wiring schematic. Web when it comes to repairing your samsung electric dryer, understanding the wiring diagram is absolutely essential.

Electrical Diagrams Provide Users With A.


1 reverse the door on. Web installation guidelines after familiarizing yourself with the samsung dryer thermostat wiring diagram, you can begin the installation process. Web home schematic samsung wiring diagrams for dryer samsung wiring diagrams for dryer by aracely raker | june 10, 2022 0 comment in any home with.

The Diagram Will Show The Various Electrical.


Now, let’s move onto the details of samsung dryer wiring. Web knowing the wiring diagram helps you identify problems and troubleshoot them quickly and accurately. Web view and download samsung dv431aep/xaa service manual online.

Whether You’re Looking To Replace A Faulty Heating.


Locate the light bulb cover on the back wall of the dryer. Dv431aep/xaa dryer pdf manual download. Web inside this manual, you will definitely find the samsung dryer heating element wiring diagram which you can use for all sorts of troubleshooting processes.

Web How To Find Model Code View More Get Started Browse These Helpful Articles So You Can Start Using Your New Samsung Device The Moment It's Unboxed.


Web samsung dryers, in particular, require specific wiring diagrams due to the complexity of the electronics and integrated components used. Web wiring diagram for a samsung dryer may 20, 2021 by wiring digital Web when it comes to understanding the inner workings of your samsung dryer, electrical diagrams can be a great resource.