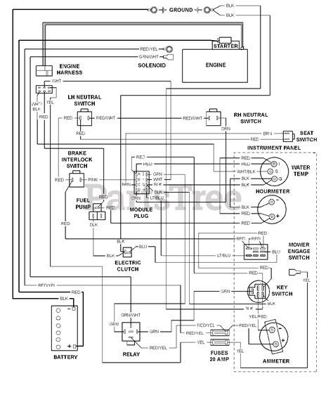
Scag Turf Tiger Electrical Schematic

Scag Turf Tiger Electrical Schematic. They provide detailed diagrams of the parts and components. Web we use cookies to personalize content and ads, to provide social media features and analyze our traffic.

Scag STT72V35BV (Turf Tiger II) (S/N M0900001 to M0999999) Parts
Scag STT72V35BV (Turf Tiger II) (S/N M0900001 to M0999999) Parts from www.jackssmallengines.com

Web view online or download pdf (2 mb) scag power equipment turf tiger user manual • turf tiger lawnmowers pdf manual download and more scag power equipment online. Web scag stt61v 27ka turf tiger c7700001 c77202299 parts diagram for electrical schematic 27hp kawasaki 15ka images for free where to find the model. We also share information about your use of our site with our social.

We Also Share Information About Your Use Of Our Site With Our Social.


Web scag stt61v 27ka turf tiger c7700001 c77202299 parts diagram for electrical schematic 27hp kawasaki 15ka images for free where to find the model. Scag lawn mower operator's manual. We have 1 scag power.

Scag Turf Tiger Wiring Diagrams Are Essential Tools For Any Diy Repair Or Maintenance Job.


Operator's manual scag power equipment turf tiger stt. They provide detailed diagrams of the parts and components. Web view online or download pdf (2 mb) scag power equipment turf tiger user manual • turf tiger lawnmowers pdf manual download and more scag power equipment online.

Web We Use Cookies To Personalize Content And Ads, To Provide Social Media Features And Analyze Our Traffic.