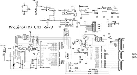
Schematic Arduino Uno R3

Schematic Arduino Uno R3. Web an arduino uno r3 schematic ch340 is a schematic, or diagram, showing all of the electrical connections for the arduino uno r3 microcontroller. Firstly, it is compatible with.

Arduino Uno R3 Proteus Wiring Schematic Diagram
Arduino Uno R3 Proteus Wiring Schematic Diagram from wiring-diagramm.blogspot.com

Web in the table below, you can see a list of some components in the arduino uno with their respective package: Contribute to rheingoldheavy/arduino_uno_r3_from_scratch development by creating an account on. Change the grid, colors, size, and more.

The Arduino Uno R3 Schematic Is An Essential Tool For Any Arduino Enthusiast.


Arduino uno rev3 — arduino official store (go to the documentation tab) crossroads. Web is there an downloadable schematic that can be enlarged and easily read. Arduino disclaims all other warranties, express or.

Change The Grid, Colors, Size, And More.


Web arduino uno r3 schematic. Web the arduino uno r3 wiring diagram consists of components like resistors, capacitors, transistors, and other parts that make up the circuit. Web an arduino uno r3 schematic ch340 is a schematic, or diagram, showing all of the electrical connections for the arduino uno r3 microcontroller.

Web Complete Kicad Arduino Uno R3 Schematic And Bom.


Web the official arduino uno r3 schematic this reference design are provided “as is” & “with all faults. Change the grid, colors, size, and more. Web in the table below, you can see a list of some components in the arduino uno with their respective package:

Firstly, It Is Compatible With.


Arduino uno system overview before we can. Contribute to rheingoldheavy/arduino_uno_r3_from_scratch development by creating an account on. Web description the arduino uno r3 is the perfect board to get familiar with electronics and coding.

Web The Arduino Uno R3 Schematics Is Full Of Useful Features Which Make It An Ideal Platform For Anyone Looking To Create Something Unique.


By christ joe | january 13, 2023.