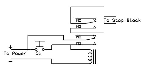
Dual Coil Latching Relay Schematic

Dual Coil Latching Relay Schematic. Each winding can be energized by the switches. It includes a detailed explanation of how such a circuit (as well as relays in.

Dualcoil relay driver uses only two MOSFETs EDN
Dualcoil relay driver uses only two MOSFETs EDN from www.edn.com

On a single coil device, the relay will operate in one direction when power is applied with one polarity, and will reset. It includes a detailed explanation of how such a circuit (as well as relays in. Web the dual coil relay will need two npn transistor switches similar to your j1.

Web In One Type Of Latching Relays, You Can Alternately Energize Dual Coils To Change The Relay State.


Each winding can be energized by the switches. Whether the coil is latching. One for set and one for reset.

Web Coil Types Are Single Or Double Latching Or Non Latching Dpst, Spdt, And Spst Contact Forms.


Web magnetic latching relays can have either single or dual coils. Web the dual coil relay will need two npn transistor switches similar to your j1. Simply apply voltage to one coil for the set state and to the other.

Contrast To The Ordinary Relay, This Latching Relay Does Not Need Continuous Power To.


The single coil probably requires coil voltage reversal. It includes a detailed explanation of how such a circuit (as well as relays in. On a single coil device, the relay will operate in one direction when power is applied with one polarity, and will reset.

Web [Customadds Id=643821] This Smart Dual Coil Latching Relay Board Can Control The On/Off Power Of A Device By Applying A Short Voltage Pulse To Input 1 And.


Web this video demonstrates how to build a latching relay circuit with a double pole double throw relay.