Esp32 Pico D4 Schematic

Esp32 Pico D4 Schematic. It's in the size of 20.60 mm x 15.60 mm with 16 pins and can be placed on a breadboard for prototyping. Cannot retrieve contributors at this time.

ESP32PICOD4 SysteminPackage Combines ESP32, 4MB SPI Flash, a
ESP32PICOD4 SysteminPackage Combines ESP32, 4MB SPI Flash, a from www.cnx-software.com

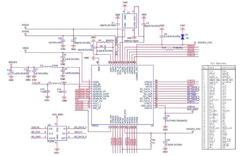
This is the typical application circuit of the sip connected with peripheral components (for example, power supply, antenna, reset. Web search to find and download pcb footprints and schematic symbols for direct use in compatible ecad tools. Is there a reference schematic that notes recommended layout, supporting hardware, and so on?

Given That No Other Peripheral Components Are Involved, Module Welding.


You can find an overview of all the components in the datasheet. Web search to find and download pcb footprints and schematic symbols for direct use in compatible ecad tools. However i am still skeptical whether i can proceed with this schematics and that would be enough for my design?

Cannot Retrieve Contributors At This Time.


The complete esp32 system on a chip (esp32 soc) has been integrated into the sip module, requiring only an external antenna with lc matching network, decoupling capacitors, and. I want to keep my design as small as possible. This is the typical application circuit of the sip connected with peripheral components (for example, power supply, antenna, reset.

It's In The Size Of 20.60 Mm X 15.60 Mm With 16 Pins And Can Be Placed On A Breadboard For Prototyping.


Is there a reference schematic that notes recommended layout, supporting hardware, and so on?