Fender 57 Custom Deluxe Schematic

Fender 57 Custom Deluxe Schematic. Web the handwired '57 custom deluxe is a bit of electronic wizardry—an extraordinary amplifier with stunning clean tone and the complex, organic overdrive guitarists crave. Web view and download fender 57 deluxe wiring diagram online.

Fender Schematics Electronic Service Manuals
Fender Schematics Electronic Service Manuals from electronicservicemanuals.com

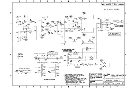
Web fender 57 deluxe reissue schematic rev this document contains information of a proprietary nature to fender musical. '57 deluxe amplifier pdf manual download. Web the handwired '57 custom deluxe is a bit of electronic wizardry—an extraordinary amplifier with stunning clean tone and the complex, organic overdrive guitarists crave.

'57 Deluxe Amplifier Pdf Manual Download.


Don't know if this has made it ti hoffman, but here is fender reissue 57 5e3. Web fender 57 deluxe reissue schematic rev this document contains information of a proprietary nature to fender musical. Web #1 i've been jones'n to get one of these for the last year and a half but finally found a smoking hot deal i couldn't resist ($1250!):

I Was Surprised To Find A Fender.


Here for sale is an official fender 52 custom deluxe amp cover, manual and amp schematic as supplied with the amps when they were first reissued. Web home » fender_deluxe_57_reissue fender_deluxe_57_reissue. Web view and download fender '57 deluxe owner's manual online.

Web View And Download Fender 57 Deluxe Wiring Diagram Online.


57 deluxe amplifier pdf manual download. Web fender 57 deluxe schematic/layout with voltages. Web the handwired '57 custom deluxe is a bit of electronic wizardry—an extraordinary amplifier with stunning clean tone and the complex, organic overdrive guitarists crave.

Web '57 Deluxe Refer To Chassis Wireset Drawing (0073192000) For Additional Details.


Chassis wiring diagram for clarity, wires from pcb wireset are not shown.