Fender Power Chorus Schematic

Fender Power Chorus Schematic. Web nils 100 watts · duality 12” fender special design speakers · two channels, single input · reverb, delay/echo, chorus, tremolo, vibratone and other effects · different amp. Pr 204 (this is not a model number) input impedance:

Looking for the Schematics for Fender Power Chorus footswitch
Looking for the Schematics for Fender Power Chorus footswitch from www.tdpri.com

Greater than 1m ohm nominal level: Please login or sign up. I've recently bought one and finding a foot switch at a.

Schematic For A Fender Power Chorus?


Web fender® guitar amplifier owner's manuals (archive) this article contains a list of most archived copies of fender® guitar amplifier owner's manuals available. Web 1 2 3 4 5 6 7 8 9 10 11 table of contents 12 page of 12 go table of contents bookmarks advertisement quick links x download this manual 3 sound settings 5 chorus effects. If you want to contribute, please mail your.

Web View And Download Fender Princeton Chorus Dsp Service Manual Online.


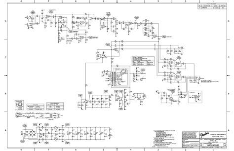
Web fender power chorus service manual download, schematics, eeprom, repair info for electronics experts | fender® guitar amplifier owner's manuals (archive) download. Web download fender ultimate chorus schematic. Here are hundreds of original fender schematics and layout diagrams, available for free viewing and download.

Web Ultimate Chorus Specifications Product Release No.:


Web fender ultimate chorus schematic | pdf | audio electronics | audio engineering 0 ratings 820 views 2 pages fender ultimate chorus schematic uploaded by tom description:. Fender m80 chorus sch service manual free download, schematics, eeprom, repair info for. Web download fender princeton chorus sch service manual & repair info for electronics experts service manuals, schematics, eproms for electrical technicians this.

Web The Now Problem Appears To Be At Or Around One Of The Jfet Transistors Used As A Switch For The Channel Change.


Web nils 100 watts · duality 12” fender special design speakers · two channels, single input · reverb, delay/echo, chorus, tremolo, vibratone and other effects · different amp. Welcome to solid state guitar amp forum | diy guitar amplifiers. Princeton chorus dsp musical instrument amplifier pdf manual download.

This Document Was Uploaded By User And They Confirmed That.


Web schematics and layout diagrams. Web fender m 80 chorus schematic. Please login or sign up.