Hot Rod Deville 212 Schematic

Hot Rod Deville 212 Schematic. Web howto and user guides for fender hot rod deville 212. Web fender hot rod deville schematic diagram | manualzz.

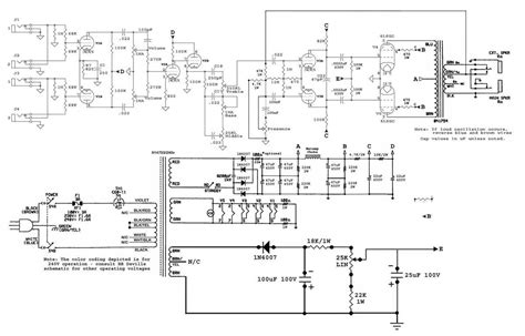
Fender HotRod Deville ML Schematic
Fender HotRod Deville ML Schematic from music-electronics-forum.com

Operating instructions manual, schematic diagram fender hot rod deville 212 operating. Web july 9, 2012. Web hot rod deville 212 input 1:

Swap The Ot Blue And Brown Wires.


Web view online (2 pages) or download pdf (386 kb) fender hot rod deville user manual • hot rod deville pdf manual download and more fender online manuals Hot rodded american p recisionbass; One or both of these should fix the problem.

We Have 1 Fender Hot Rod Deville Iii 212 Manual Available For Free Pdf Download:


We have 2 leitblech hott rod deville 212 manuals open for free pdf download: Operating instructions manual, schematic diagram fender hot rod deville 212 operating. Hot rod deville amplifier pdf manual download.

Web July 9, 2012.


Web verify the ot black wire connects to ground. Web view and download fender hot rod deville schematic diagram online. View online (2 pages) or download pdf (388 kb) fender hot rod deville user manual • hot rod deville pdf.

Web View And Download Fender Hot Rod Deluxe Service Diagram Online.


Web manuals and user guides for fender hot rod deville iii 212. Hot rodded american p recisionbass; Hot rod deluxe amplifier pdf manual download.

Web We Have 2 Fender Hot Rod Deville 212 Manuals Available For Free Pdf Download:


Web yes i have a schematic. Web thehot rod deville and deville 212 are versatile musicalinstruments that features extensive tone shapingabilities and virtually unlimited gain — defining thenext generation. Web howto and user guides for fender hot rod deville 212.