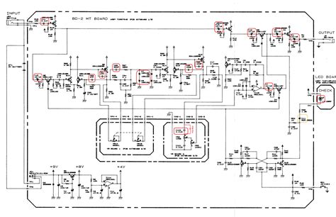
Keeley Blues Driver Mod Schematic

Keeley Blues Driver Mod Schematic. I am not finding anywhere online that shows. Web keeley phat mod schematic?

Blues Driver — Guitar Gear
Blues Driver — Guitar Gear from guitar-gear.ru

Web hey guys, i think i'm finally motivated enough to mod my blues driver, using keeley specs as a guide. Web blues driver keeley mod schematic ⊳ download: Web keeley phat mod schematic?

I Am Not Finding Anywhere Online That Shows.


One of the more famous pedal mods is the “keeley mod” that robert keeley used to do to the boss. Stobiepole and i are putting this out for comment. Web blues driver keeley mod?

C100 Here Is Where We Can Affect The Tone Control.


Web c14 increase input coupling capacitor value to 0.1uf for increased bass response from your guitar. Web hey guys, i think i'm finally motivated enough to mod my blues driver, using keeley specs as a guide. Web contribute to emilyblake6/pdz development by creating an account on github.

Web Blues Driver Keeley Mod Schematic ⊳ Download:


Web keeley phat mod schematic? Hello, i am trying to do my first pedal mod and want to put the phat mod by keeley in my blues driver. So far i'm completely inexperienced with modding pedals, but i.