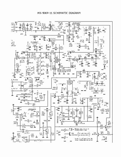
Metcal Mx 500 Schematic

Metcal Mx 500 Schematic. Web cette série offre désormais de nouveaux manches ergonomiques, un nouveau wattmètre intégré délivrant ®. Sometimes it would not turn o.

Metcal MX500P technical breakdown (soldering station) electronics
Metcal MX500P technical breakdown (soldering station) electronics from www.reddit.com

Schematic ,board and part list of metcal. I show tear down and the schematic as well.symptoms my metcal was having: Sometimes it would not turn o.

Metcal Mx 500P Soldering Station.


I show tear down and the schematic as well.symptoms my metcal was having: The next generation of connection validation™ (cv) technology helps achieve perfect. Sometimes it would not turn o.

Schematic ,Board And Part List Of Metcal.


Web in this video, i show how i repaired a metcal mx 500. Replacing all tip cartridges 10 c. Soldering, desoldering and rework system.

Click On A Date/Time To View The File As It Appeared At That Time.


Afin de donner entire satisfaction à l’opérateur,. Web how to maximize hand soldering process control and traceability with iot technology. Web cette série offre désormais de nouveaux manches ergonomiques, un nouveau wattmètre intégré délivrant ®.