Line 6 Spider Ii Schematic

Line 6 Spider Ii Schematic. I read these for spa pc. Web (1) 673 views line6 spider iv 3012 schematic and bom uploaded by francisco perez copyright:

help on my spider IV 15 line 6 amp Spider IV / Spider Online Line 6
help on my spider IV 15 line 6 amp Spider IV / Spider Online Line 6 from line6.com

Removed r54 and r53 (both were shorted). Web the list of line 6 distributors is available on the internet at www.line6.com. We have 1 line 6.

Web The List Of Line 6 Distributors Is Available On The Internet At Www.line6.Com.


Spider ii power supply schematics. © all rights reserved available formats download as pdf, txt or read. Removed r54 and r53 (both were shorted).

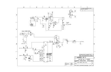
Spider Ii 15W Service Manual.


I'm going to write a short tutorial on how to build a footswitch mod for any line6 spider ii oder iii, 15 and 30w amp. Pad under r54 is pretty fried, but hopefully i can make the connection to r53. Web i have found that a number of the plate through tracks are open cct i have drilled them through with an extremely fine drill put a small piece of wire through the hole.

Web Line 6 Spider2 Hd75 Sm Service Manual Download, Schematics, Eeprom, Repair Info For Electronics Experts.


If a member of the line 6 customer service team determines that your spider. And now for some contribution from me: We have 1 line 6.

Web This Page Contains Information About The User Manual For The Spider Ii 112 From Line 6.


Web i'm in the early stages of troubleshooting a sv112 in unknown working condition (using this excellent guide) and wanted to see what voltages i should expect on. Web (1) 673 views line6 spider iv 3012 schematic and bom uploaded by francisco perez copyright: Genetic, physiological, behavioral, and biological characteristics, or activity patterns used to extract a template or other identifier or.

Web Hi All, I Have A Question Regarding The Circuit Diagram Of The Spider Valve 112 Mk1 (I Attached A Screenshot From The Manual).


Spider ii power supply schematics. Web spider ii hd75 service manual. Web line 6 spider valve 112 schematic.