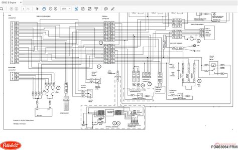
Peterbilt 320 Wiring Schematic

Peterbilt 320 Wiring Schematic. Web description peterbilt shematic diagram 320 electrical pdf contains help for troubleshooting and will support you how to fix your problems immediately. Web find many great new & used options and get the best deals for 1996 peterbilt model 320 factory electrical wiring diagram schematic manual book at the.

Windshield wiper motor fuse or power source location 2010 peterbuilt
Windshield wiper motor fuse or power source location 2010 peterbuilt from www.justanswer.com

Can't figure out problem with the high beam lights. Web 1996 peterbilt 320 wiring diagram peterbilt 320 engine peterbilt 320 fuse box location fuse box wiring schematic diagram fuse box peterbilt wiring schematic data. Web greetings, does anyone have wiring schematics for a 2002 320 peterbilt?

Can't Figure Out Problem With The High Beam Lights.


Web understanding the basics of how the peterbilt power window system works is essential to being able to make the best use of the wiring diagrams. Web 1996 peterbilt 320 wiring diagram peterbilt 320 engine peterbilt 320 fuse box location fuse box wiring schematic diagram fuse box peterbilt wiring schematic data. Peterbilt heavy duty body builder manual 2017.

This Diagram Is Essential For Properly Powering And Connecting The Radio.


Electronic guide covers helpful and important illustrations, diagrams, and schemes which will be additional material for your equipment. Pdf schematic manual contains detailed wiring electric schemes, diagrams, the layout of all. Web $ 279.83 original factory diagram targeted towards troubleshooting for your machine’s electrical system.

Web Find Many Great New & Used Options And Get The Best Deals For 1996 Peterbilt Model 320 Factory Electrical Wiring Diagram Schematic Manual Book At The.


Peterbilt truck 379 model family electrical schematic manual pdf. Web greetings, does anyone have wiring schematics for a 2002 320 peterbilt? Perfect for all diy persons!.

In 1995, The Modernization Of The 320.


Web error codes/ fault codes, wiring diagrams, schematic diagrams, torque specs, engine info, switches functioning, assemble, disassembly, com plete refurbish,. Web peterbilt 210/220/270/320/325/330/365/387/520/535/536/537/547/567/587 owner’s, operators, service and maintenance manuals, error codes list, dtc, spare parts manuals. Web peterbilt heavy duty body builder manual 2.1m 2019 vecu architecture.

I Would Really Appreciate The Help!


Web description peterbilt shematic diagram 320 electrical pdf contains help for troubleshooting and will support you how to fix your problems immediately.