Mercruiser Cooling System Schematic

Mercruiser Cooling System Schematic. Find the right parts for your mercury® or mercruiser® engine here. Mercruiser 5.0 cooling system diagram, marine engine.

Mercruiser 3.0 Cooling System Diagram
Mercruiser 3.0 Cooling System Diagram from schematron.org

Web mercury mercruiser cooling system water hoses. Ppt offers designing fresh water cooling systems for mercury. Most have this in their trojans:.

Web Mercruiser 3.0L Gm 181 I/L4 Standard Cooling System Parts.


Web buy closed fresh water cooling systems for mercruiser engines online at performance product technologies. See the mercruiser 5.0 cooling system diagram images below. Buy a genuine mercury quicksilver or aftermarket part.

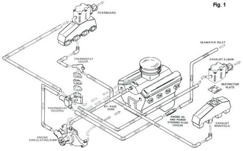
Mercruiser 5.0 Cooling System Diagram, Marine Engine.


Ppt offers designing fresh water cooling systems for mercury. Buy a genuine mercury quicksilver or aftermarket part. Web home schematic mercruiser cooling system diagram mercruiser cooling system diagram december 26, 2022 schematic do you require a mercruiser.

Most Have This In Their Trojans:.


Buy a genuine mercury quicksilver or aftermarket part. Carbureted engines with serial numbers 88710& up. Find the right parts for your mercury® or mercruiser® engine here.

Gen V Engines With One Piece Main Seal.


Web schematic mercruiser 4.3 cooling system diagram mercruiser 4.3 cooling system diagram erick persija january 28, 2023 schematic here you can. Mercury mercruiser cooling system water hoses from partsvu help keep your boat sailing. Web mercury mercruiser cooling system water hoses.

Web If You Are On A Mobile Device Or Having Trouble Viewing Schematics Below, Try Downloading The Schematics Manually By Clicking On The Download Button.


Web parts mercruiser parts for mercruiser 4.3l mpi alpha / bravo standard cooling system (single & three point drain) parts for mercruiser 4.3l mpi alpha / bravo standard. Web schematic mercruiser fresh water cooling system diagram mercruiser fresh water cooling system diagram december 29, 2022 schematic this page. Search by serial number to see detailed engine diagrams and part numbers, then contact.