Mesa Boogie Mini Rectifier 25 Schematic

Mesa Boogie Mini Rectifier 25 Schematic. 0% 0% found this document useful, mark this document as useful. Mini rectifier 25 in for servicing mesa boogie.

Mesa Boogie Mini Rectifier 25 Blackout Red Lights EU / UK Plug + Case
Mesa Boogie Mini Rectifier 25 Blackout Red Lights EU / UK Plug + Case from www.guitar-smith.com

Web user manuals user manuals for current and out of production products. Web save save mesa boogie dual rectifier schematic diagram for later. In this particular case i doubt they'd.

Download The Mini Rectifier Owner's Manual


Web mesa has always been very helpful. After downloading, the file may take a moment to open in the. Web save save mesa boogie dual rectifier schematic diagram for later.

They Just Don't Want A Schematic For An Amp They're Still Making $$$ On In The Public Domain.


Web mesa/boogie is a leading innovator of guitar amplification technology whose product line includes the mark v®, dual and triple rectifier®, lone star®, transatlantic®, mini. From the feedback we've received thus far, it seems the mini recto. 0% 0% found this document useful, mark this document as useful.

3Ch Solo Head Preliminary Schematic 3 Channel Dual / Triple Rectifier Solo Head Front.


Web mesa/boogie is a leading innovator of guitar amplification technology whose product line includes the mark v®, dual and triple rectifier®, lone star®, transatlantic®, mini. Web your mesa/boogie amplifier is a professional instrument. Web user manuals user manuals for current and out of production products.

Owner’s Guide & Operating Manual.


265 kb number of views: Active out of production 2:fifty badlander 100. Mini rectifier 25 in for servicing mesa boogie.

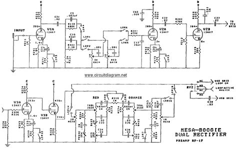
Web Mesa Boogie Dual Rectifier · Adobe Acrobat Schematic File Size:


Web view online (38 pages) or download pdf (1 mb) mesa/boogie mini rectifier 25 user manual • mini rectifier 25 supplementary music equipment pdf manual download and. Web we always strive to build classics, icons that you'll treasure amongst your most valuable musical instruments. Web looking for schematic diagram of 27 2009 2011 power supply pa 2311 02a liteon macrumors forums.